电子技术论坛

 找回密码
 快速注册

QQ登录

只需一步,快速开始

搜索
搜索附件  

热门下载

© 电子技术论坛 文件下载中心

求助一台TCL电视杂音太大!!!!!: HEF4052.jpg

 

求助一台TCL电视杂音太大!!!!!
求助一台TCL电视杂音太大!!!!!型号是D2923F,CPU是OM8838PS,解码块是P83C266BDR/103,,,,,,,,,,,,,,,电视本来故障是收不到台!我查高平头各引脚电压工作电压正常,AGC电压7.5V,电源脚12V,,,调节脚电压有0到30V,我替换了高平头之后,电视就出现收到台但有许多台有杂音,听不清楚,有几个台正常!!!!请指点!电视有两个电阻R861和R862烧断了,开路,不知道它跟这有关吗????????????
      我是叫你怎样查找6.5滤波器在电视机的什么位置,并不是说故障就一定在这里?根据故障现象:“电视就出现收到台但有许多台有杂音,听不清楚,有几个台正常!!!!”
      很可能是有杂音,听不清楚的这些台伴音制式不正确,如果伴音制式还在NTSC制式时就会出现这种现象。你应该把这些有杂音的台,把伴音制式调在DK、PLA或OUT(自动制式)看看。
HEF4052模拟选择开关集成电路
HEF4052系模拟选择开关集成电路,在各种屏幕的彩电、彩显、通信、音响等系统中作信号选择切换用.
.功能特点
HEF4052集成电路实际丰是一种双4选1模拟电子开关,用于对加到该集成电路上的两组4路信号进行选择,选出两组信号中的各一路信号提供给有关电路。其集成块的内电路方框图如图所示。

                               
登录/注册后可看大图

2.引脚功能及数据
HEF4052集成电路采用16脚双列直插式封装,应用在大屏幕多制式彩电中用做伴音制式切换时,其集成电路的引脚功能及数据见表所列,其逻辑控制电平与输出信号之间的对应关系见表所列。

                               
登录/注册后可看大图

本帖最后由 云冰 于 2009-2-19 06:13 编辑



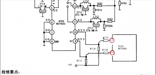
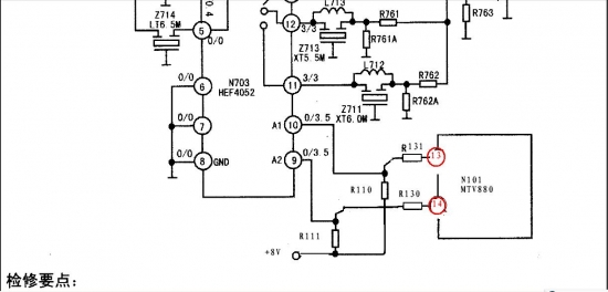
用遥控器转换DK、NTSC、自动制式看能否使HEF4052的(9),(10)脚电压都为0,如果(9)脚始终为3.4V,应急方法拆下R111和R130,强迫(9)电压至0,就能转换到6.5MHz制式。
HEF4052的(9)脚不能为0 的原因:
      1,CPU 的(14)脚虚焊,在DK制式时CPU 的(14)脚呈现低阻值,本来应该将HEF4052的(9)脚电压拉低至0V,但由于CPU 的(14)脚虚焊造成开路现象,而无法实现拉低电压。
     2,存储器的制式转换数据出错,造成CPU 的(14)脚不能为0V,可进入总线调节此项。
     3,CPU 的(14)脚内部电路开路性损坏,无法呈现低阻值拉低电压。
     4,HEF4052的(9)脚外接二极管虚焊或开路造成不能拉低电压。
本帖最后由 云冰 于 2009-2-27 18:40 编辑

如下图所示把HEF4502的3脚和2脚用导线直接就可以了,因为你的维修机2脚是6.5M输入,3脚是6.5M输出。如果仍然不行的话,就把3脚与其他脚1、2、4、5分别短路连接试试就知道了。

            

         
            

         

师傅啊!我按照你説的试了,我首先断开3脚,然后将那个线与2脚短接后开机,还是一样啊有几个台有声音,其他台还都是杂音啊!后来我把3脚分别与1245短接,效果更差啊都是杂音听不到声音,后来我恢复之后开机竟然全是杂音而且连彩色都没有了,我用遥控调了伴音制式调到I制式时有个别台有声音也有彩色了,其他台还是全是杂音啊,好像乱七八招的!我在调伴音时测9脚10脚电压,9脚电压现在始终为0,10脚电压在0到3.6V跳动!!!!!!现在请师傅指点!!
          查了一下维修手册,DK制式时伴音中频应该是6.0M。即你的维修机HEF4052(9)脚电压应该是4.5V,(10)脚电压应该是0V。
          但现在(9)脚电压始终为0V,说明(9)脚连接的D302或D301存在漏电现象,可分别断开D302和D301看看(9)脚电压能不能恢复到4.5V左右,如果能恢复的话,说明D302、D301已损坏,用万用表的10K档分别测量一下两只二极管的反向阻值就可知道是否存在漏电现象。
师傅啊,我按你説的断开D301和D302测其有没有漏电,R10K档有点问题,我用R1K测好像没有漏电,,但我断开那两个二极管的正极对地的电阻R342之后测4052的9脚电压为4.4V左右,(R342阻值是46K),电视声音效果稍微好一点,但还是有好多台有杂音,,,我从新自动收索之后有好多台也不太清楚了,这是不是跟我换的高平头有关啊?有好几个台比较清楚但杂音太大,,,究竟是什么在作怪啊!原装高平头我打开里面有一个中周啊!可不可以修复原装高平头啊!!!!!!!!!!试试
求助一台TCL电视杂音太大!!!!!: HEF4052.jpg

手机版|家电维修技术论坛 ( 鄂ICP备09003585号-2 )

GMT+8, 2026-5-13 13:32 , Processed in 0.172880 second(s), 10 queries , Gzip On, MemCache On.

Powered by Discuz! X3.4

Copyright © 2001-2020, Tencent Cloud.

CopyRight © 电子技术论坛
电子邮箱:8794149@qq.com | 联系 QQ:3081868839 | 官方网址:www.dzdu.com

Qiji. All Rights Reserved


服务条款 | 站长声明

Wuhan Qiji Technology Co., Ltd.武汉奇迹科技有限公司版权所有


鄂ICP备09003585号-2鄂公网安备42010602000420号

返回顶部