电子技术论坛

 找回密码
 快速注册

QQ登录

只需一步,快速开始

搜索
搜索附件  

热门下载

© 电子技术论坛 文件下载中心

截图00.jpg

 

求租长虹三无
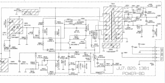
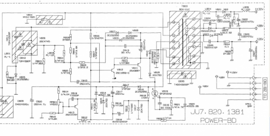
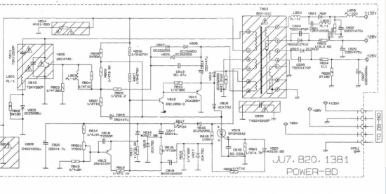
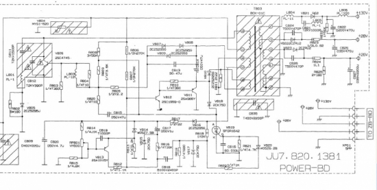
求租长虹电视三无!求租长虹电视三无!电视型号是D2526A,打开后盖,断开行部分接假负载测+B电压135V,但是恢复电路通电测+B电压是145V电压反而高了是和缘故啊,
谢谢各位师傅你们辛苦了!!!!!!!!!!!!
!我在无意中,开机测场块每个脚的电压,当测到8脚时候发现表的指针在30几V然后电压在逐渐上升当升到50V的时候我把机关了害怕它把场块烧了,然后我把那个脚的电容C313取下,发现它已经霉变了!我换了,连c314都换了,电视正常了,请问各位师傅,难道就是C313霉变老不定时的损坏场块吗???对吗是不是还有其他东西坏昵!一开始电源就是没有问题,可能是我们搞错了,不接负载开机瞬间电压达到185V左右是正常的把,接假负载时电压是135V,高5V应该没有问题把!那么为什么会使那个0.82的电阻开裂阻值变大了昵!可能是由于场块坏之后电流大导致它顺坏的把!
截图00.jpg

手机版|家电维修技术论坛 ( 鄂ICP备09003585号-2 )

GMT+8, 2025-11-7 04:42 , Processed in 0.159584 second(s), 8 queries , Gzip On, MemCache On.

Powered by Discuz! X3.4

Copyright © 2001-2020, Tencent Cloud.

CopyRight © 电子技术论坛
电子邮箱:8794149@qq.com | 联系 QQ:3081868839 | 官方网址:www.dzdu.com

Qiji. All Rights Reserved


服务条款 | 站长声明

Wuhan Qiji Technology Co., Ltd.武汉奇迹科技有限公司版权所有


鄂ICP备09003585号-2鄂公网安备42010602000420号

返回顶部