电子技术论坛

 找回密码
 快速注册

QQ登录

只需一步,快速开始

搜索
搜索附件  

热门下载

© 电子技术论坛 文件下载中心

红绿蓝激励信号.JPG

 

长虹电视偏黄故障求助
长红电视偏黄,以前电视全红!换了红视放管之后就偏黄了,看图象正常,就黑的地方太黑了!如头发黑的看不清啊!不之是怎么回师啊!三枪电压都在160V左右但会变!请问如何入手?
如果不看集成块的话,没有可调电阻的视放板就是总线的电视机。微處理器CPU TMB87CM38N-3673和中放集成块TB1238AN是带总线的集成块,有些电视机图像偏黄,仔细观察时却发现人物图像,人的嘴唇没有红色。像这种现象就可以检查红色视放管。一般情况下应该按照彩色的三基色原理来进行分析,即红色+绿色=黄色,偏黄说明缺少一点蓝色,其故障原因是:(1)蓝色视放管虚焊,(2)蓝色视放管发射极电阻阻值增大,(3)二极管D1502漏电



                                                    

云冰师傅,不用急!
这段时间我都不敢传稍大一点的附件,一传就提示找不到服务器,不知是由于网站网速还是我的网速问题。我最近一段时间在很多网站上传资料都出现这种情况,我还一个人独享2M带宽,测试网速却慢得要命,投诉电信也不理,等以后有别的选择,坚决换掉这破电信
为何没有看到你测量视放管基极的电压,如果三只视放管的基极电压没有跟着色彩的变化进行变动,那么视放管C极的供电电阻有问题。
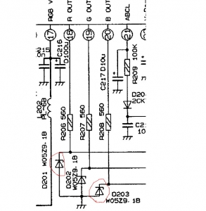
如果基极电压跟着集电极电压在大幅度波动的话,说明基极的激励电路存在问题,应该检查稳压二极管D201和D203是否存在虚焊或阻值忽大忽小的现象,最好是把D202和D201交换位置,如果翻红的故障排除说明D201损坏


                        
今天早上我开机电视是红的,后来我测B极电压,发现G在1V左右   R在2V左右  B在2.1V左右,后来不超过1分钟时间电视又变正常了就是有电视有点暗淡啊!这时测B电压都在2V以上而且还随着色彩的变化而稍微变动,   后关机在开机又变红了啊!郁闷啊!在测B电压发现红的在2V左右G R都在1V左右过了一分钟之后又变了,然后我把两台电视放在一起比较发现它白色字符中带有暗红色而且人物脸上带有暗红色,兰色背景暗淡发黑,在放半小时之后发现白色字符正常,但兰色背景还是暗淡不清楚
太好了,检查得很仔细,根据‘在测B电压发现红的在2V左右G B都在1V左右过了’和,“然后我把两台电视放在一起比较发现它白色字符中带有暗红色而且人物脸上带有暗红色,兰色背景暗淡发黑,在放半小时之后发现白色字符正常,但兰色背景还是暗淡不清楚”,我们就可以换位思考了,也就是要从相反的角度去看问题,来一个180度的大转弯。  
                                                                                                           
根据“电视又变正常了就是有电视有点暗淡啊!这时测B电压都在2V以上而且还随着色彩的变化而稍微变动,”我们就完全 可以把基极B电压2V看着是正常的了,由此可见“红的在2V左右G B都在1V左右”,由于G绿,B蓝都低于正常值2V,所以显像管的绿,蓝电子枪发射能力大大减弱,绿蓝色彩被减弱或被阻断,这时我们在屏幕上就只能看到偏红的图像了,也正是由于绿蓝色彩的减弱,而只让R红色来打主力,那么图像的背景必然暗淡发黑。
那么我们就可以把精力集中到视放管基极的激励信号电路上来检查了:
故障范围就在(1)稳压二极管,D202,D203漏电,使其电压不稳定。解决方法,换稳压二极管
                      (2)电阻R207,R208虚焊或阻值不稳定存在忽大忽小的现象。解决方法,换两个电阻
                      (3)集成块TB1238AN 的19和20脚有假焊。解决方法,补焊两脚
“哦对你我按你说的把19..20角补旱了之后我连续把电视关了3次又开了三次没有变红色,我测B极电压都相等都在2.1V左右而且还随着色彩的变化而波动!C极电压只有蓝的电压高10V左右其他两个都在160V左右,,好象是正常吧但是图象还是放到兰色背景时黑啊而头发跟黑”
恭喜你,硬件方面的故障已经彻底排除。如果蓝色视放管的基极电压在2.1V左右,而它的集电极电压比其他两只视放管的集电极电压高10V左右,那么蓝色电子枪的发射能力将比其他两只电子枪能力减弱许多,造成蓝色亮度较暗形成蓝色背景发黑的现象。要想排除这种故障就只有进入总线进行暗平衡的调节了,把蓝色激励信号的数据适当的加大一点,使其蓝色视放管C极电压约降低一些就行了。
现在我们来说说基极电压与集电极电压和色彩的情况:
(1)先说说正常的基极电压和集电极电压
正常的基极B电压应该在2.1V左右变化,集电极C电压正常范围应该是在160V--170V左右变化,这时色彩也将跟随发生变化,如果基极电压在正常的2.1V左右变化时而集电极电压始终保持在190V不变,那么说明这只视放管已经失去放大倍数或存在开路现象,如果是蓝视放管,则蓝电子枪将截止,出现缺少蓝色,屏幕呈现偏黄的故障。
(2)不正常的基极电压和集电极电压及色彩的关系
这时的基极电压则是大幅度上升和下降,本来正常时基极电压是2.1V,一但出现故障,基极的电压就会远远的偏离正常值,高的上升到3V使其视放管进入到饱和放大状态,电流猛增,集电极电压猛跌到120V左右,从而使其阴极电子枪的电流发射能力大大增强。如果是R红枪,则屏幕将是一遍红色和回扫线。那么低的时候呢?基极电压就会突然下降到1V左右,使其视放管截止集电极电压猛然上升到190V左右,从而使显像管的阴极电子枪截止,发射电流中断,如果是蓝视放管,那么屏幕就会出现整屏黄色。
你上传的图片我已经看了,这是低亮度时偏蓝的现象。其原因是(1)总线数据内的BCUT蓝截止数据值正常,而RCUT 红截止数据值和GCUT 绿截止数据值偏低使其显像管的红绿阴极电子枪在低亮度截止造成的,在低亮度时由于没有了红绿色彩那么就只能看见一个昏暗的蓝色。(2)RCUT红截止数据值和GCUT绿截数据值正常,而BCUT数据值偏高。    必须进入总线进行暗平衡的调节才能排除故障,在低亮度时是否存在偏色故障,验证方法非常简单,第一是在正常的亮度情况下把电视机的色度调至最小,到0的位置,也就是把颜色关闭,如果我们看到的图像是黑白的就象黑白电视机的那种图像,说明亮平衡是正常的。在这个基础上再把亮度调低,调到约为看到图像的那种低亮度状态,如果我们看到的不是黑白图像,而是蓝色的图像,或其他颜色的图像,那么就说明暗平衡不正常。

现在谈谈长虹电视机25B15(CPU:CHT0819 CHT0807、CN-9机芯)怎样进入总线的问题:

1、第一种总线调试方法

  进入维修状态方法 用型号为K11B的遥控器。

  A .去掉遥控器内二极管V3,然后接三只二极管(2CK75D或1N4148),每只二极管的正端接V3R 正端,二极管负端各自接在遥控器上集成电路的6、7、12脚。
  B .按频道键“1”进入维修模式调理状态,屏幕上显示绿色字符“D”,表示已进入维修调试状态。
       C.调整方法:(1)按遥控器左下部“粉红色或绿色按键”即可对项目进行翻页。
                            (2)按遥控器左下部“黄色或青色键”即可对项目数据大小进行调整。
       D.维修方式的退出:遥控关机即可退出维修调试状态。

  2、第二种总线调试方法

  进入维修状态方法:用型号为K10B或K10F遥控器将声音关到最小,再按静音键不放,同时按本机菜单键“MENU”,屏幕上显示绿色字符“D”,表示已进入维
修调试状态。

  3、第三种总线调试方法
  进入维修状态方法 : 用型号为K8A、K8B、K8C、(NC-5机心所用)的遥控器将音量关到最小,按静音键不放,同时按本机菜单键“MENU”,屏幕上显示绿色字符“D”,表示已进入维修调试状态。

下面是长虹R2113T   CN-9机芯总线数据表,你的维修机可能与此不同,所以调整前必须记住它的原始数据,一旦调整失败后可恢复它的原始数据。


                               
登录/注册后可看大图


[ 本帖最后由 云冰 于 2008-9-2 04:01 编辑 ]
红绿蓝激励信号.JPG

手机版|家电维修技术论坛 ( 鄂ICP备09003585号-2 )

GMT+8, 2026-3-21 00:33 , Processed in 0.189949 second(s), 10 queries , Gzip On, MemCache On.

Powered by Discuz! X3.4

Copyright © 2001-2020, Tencent Cloud.

CopyRight © 电子技术论坛
电子邮箱:8794149@qq.com | 联系 QQ:3081868839 | 官方网址:www.dzdu.com

Qiji. All Rights Reserved


服务条款 | 站长声明

Wuhan Qiji Technology Co., Ltd.武汉奇迹科技有限公司版权所有


鄂ICP备09003585号-2鄂公网安备42010602000420号

返回顶部