电子技术论坛

 找回密码
 快速注册

QQ登录

只需一步,快速开始

搜索
搜索附件  

热门下载

© 电子技术论坛 文件下载中心

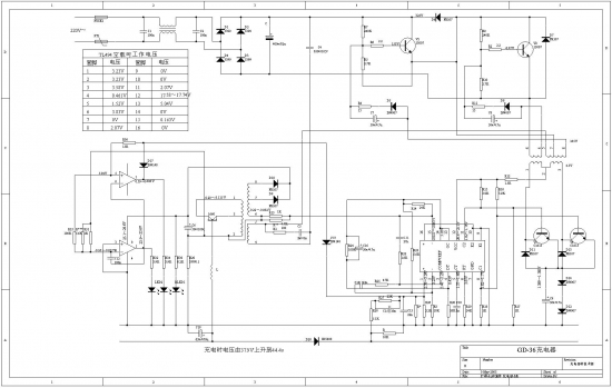
GD-36充电器.jpg

 

上传几张电动自行车充电器及控制电路
电动自行车充电器及控制电路

GD-36充电器.jpg

手机版|家电维修技术论坛 ( 鄂ICP备09003585号-2 )

GMT+8, 2026-4-26 13:13 , Processed in 0.254259 second(s), 9 queries , Gzip On, MemCache On.

Powered by Discuz! X3.4

Copyright © 2001-2020, Tencent Cloud.

CopyRight © 电子技术论坛
电子邮箱:8794149@qq.com | 联系 QQ:3081868839 | 官方网址:www.dzdu.com

Qiji. All Rights Reserved


服务条款 | 站长声明

Wuhan Qiji Technology Co., Ltd.武汉奇迹科技有限公司版权所有


鄂ICP备09003585号-2鄂公网安备42010602000420号

返回顶部